Описание
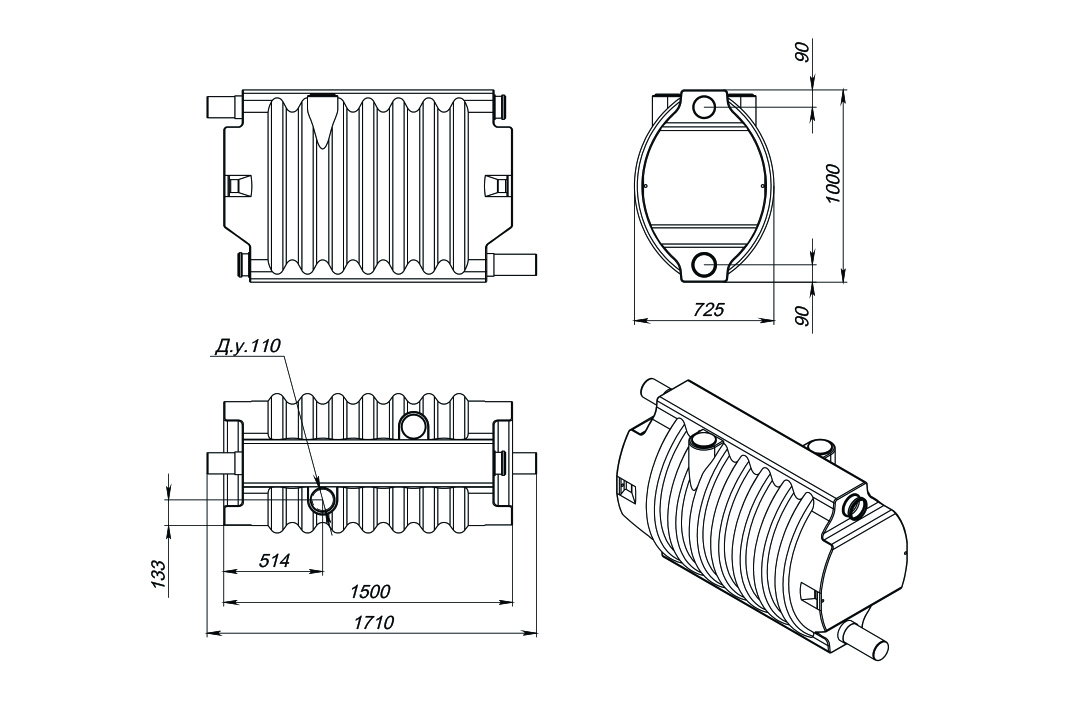
Характеристики
Описание
Необходимое количество блоков биофильтра для септика «Rostok» МИНИ – 1 шт.
10 шагов для успешного монтажа Биофильтра «Rostok»:
1. Определиться с местом монтажа системы;
2. В зависимости от модели (производительности) септика и соответственно необходимого количества
блоков биофильтра, определиться по чертежу выбранной схемы подключения с габаритами
сооружения и котлована (размер котлована должен быть на 0,3 м больше в каждую из сторон в
длину и ширину);
3. В общем случае для септика и биофильтра выкапывается один котлован;
4. После сборки системы заполнить блоки биофильтра через загрузочные отверстие фильтрующим
материалом;
5. Вначале засыпается инертная загрузка (керамзит), таким образом, что бы дренажная (нижняя) труба
была полностью скрыта загрузкой;
6. Далее засыпается биоактивный абсорбент, таким образом, что бы уровень биоактивного
абсорбента был ниже оросительной (верхней) трубы примерно на 0,1 м;
7. При необходимости, для отвода очищенного стока в точку сброса, расположенную выше уровня
отводящей трубы, установить повысительный колодец в соответствие с чертежом выбранной
схемы;
8. Заглушить противоположный конец дренажной трубы каждого первого блока;
9. Засыпать систему песком;
10. Обратную засыпку септика выполнить в соответствии с инструкцией по монтажу септика.
10 шагов для успешного монтажа Биофильтра «Rostok»:
1. Определиться с местом монтажа системы;
2. В зависимости от модели (производительности) септика и соответственно необходимого количества
блоков биофильтра, определиться по чертежу выбранной схемы подключения с габаритами
сооружения и котлована (размер котлована должен быть на 0,3 м больше в каждую из сторон в
длину и ширину);
3. В общем случае для септика и биофильтра выкапывается один котлован;
4. После сборки системы заполнить блоки биофильтра через загрузочные отверстие фильтрующим
материалом;
5. Вначале засыпается инертная загрузка (керамзит), таким образом, что бы дренажная (нижняя) труба
была полностью скрыта загрузкой;
6. Далее засыпается биоактивный абсорбент, таким образом, что бы уровень биоактивного
абсорбента был ниже оросительной (верхней) трубы примерно на 0,1 м;
7. При необходимости, для отвода очищенного стока в точку сброса, расположенную выше уровня
отводящей трубы, установить повысительный колодец в соответствие с чертежом выбранной
схемы;
8. Заглушить противоположный конец дренажной трубы каждого первого блока;
9. Засыпать систему песком;
10. Обратную засыпку септика выполнить в соответствии с инструкцией по монтажу септика.
Характеристики
Производитель
ЭкоПром
Высота
100
Длина
150
Ширина
75
Код производителя
631.1000.401.0
Объем транспортный
1,13
Цена с НДС
14560
Склад в городе
Краснодар, Ростов-на-дону
Параметр: Объем транспортный
1.125
Отзывы
Отзывов еще никто не оставлял
0
Всего
- 5 звезд 0
- 4 звезды 0
- 3 звезды 0
- 2 звезды 0
- 1 звезда 0
С отзывами о магазине вы можете ознакомиться на
странице отзывов
Оставить отзыв
Похожие товары из раздела «Комплектующие для септиков»
Max
