Описание
Характеристики
Описание
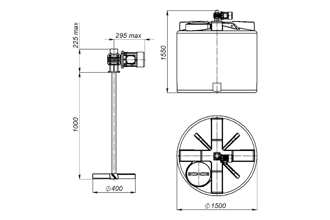
Тихоходная мешалка для емкости T 2000 литров для перемешивания в системе «жидкость – жидкость»:
Мощность двигателя, кВт - 0,37
Частота вращения вала, об/мин - 93
Длина вала, мм -1000
Диаметр рабочего колеса, мм - 400
Мешалки предназначены для перемешивания жидкости с максимальной плотностью 1,3 г/см , динамической вязкостью жидкой фазы ‐
0,05 Ра/сек.
Технические преимущества тихоходных лопастных мешалок:
1. Высокая прочность: Отсутствие сварных швов и футеровки благодаря цельнолитой конструкции из композита.
2. Малый вес по сравнению с металлическими аналогами.
3. Продолжительный срок службы: Смолы (материал изготовления рабочего колеса и вала) после отверждения, в отличии от
термопластичных материалов таких как полипропилен и фторопласт, не подвержены повторному расплавлению, что является гарантией
отличной механической прочности, термо- и формоустойчивости.
Сферы применения емкостей с мешалками:
в химической промышленности для приготовления и поддержания консистенции различных агрессивных растворов;
в водоподготовке и водоочистке для приготовления растворов коагулянтов и флокулянтов;
при обработке питьевой воды для стерилизации, фильтрации, контроля запаха и привкуса;
в системах водоснабжения и канализации для приготовления рабочих растворов и реагентов с целью обработки сточных вод;
в составе реагентных блоков периодического действия для приготовления и дозирования растворов реагентов на очистных сооружениях
предприятий пищевой промышленности, нефтеперерабатывающей отрасли и прочих производственных стоков;
при производстве цемента: мешалки устанавливают на бетоносмесительном узле для приготовления гомогенной смеси и ее добавки в
бетон;
при производстве бумаги для приготовления диоксида титана с целью контроля матовости тонкой бумаги, приготовления каолиновой
смеси.
Возможна установка отводов и любой дополнительной арматуры.
Возможно изготовление усиленной емкости под увеличенную плотность жидкости
Мощность двигателя, кВт - 0,37
Частота вращения вала, об/мин - 93
Длина вала, мм -1000
Диаметр рабочего колеса, мм - 400
Мешалки предназначены для перемешивания жидкости с максимальной плотностью 1,3 г/см , динамической вязкостью жидкой фазы ‐
0,05 Ра/сек.
Технические преимущества тихоходных лопастных мешалок:
1. Высокая прочность: Отсутствие сварных швов и футеровки благодаря цельнолитой конструкции из композита.
2. Малый вес по сравнению с металлическими аналогами.
3. Продолжительный срок службы: Смолы (материал изготовления рабочего колеса и вала) после отверждения, в отличии от
термопластичных материалов таких как полипропилен и фторопласт, не подвержены повторному расплавлению, что является гарантией
отличной механической прочности, термо- и формоустойчивости.
Сферы применения емкостей с мешалками:
в химической промышленности для приготовления и поддержания консистенции различных агрессивных растворов;
в водоподготовке и водоочистке для приготовления растворов коагулянтов и флокулянтов;
при обработке питьевой воды для стерилизации, фильтрации, контроля запаха и привкуса;
в системах водоснабжения и канализации для приготовления рабочих растворов и реагентов с целью обработки сточных вод;
в составе реагентных блоков периодического действия для приготовления и дозирования растворов реагентов на очистных сооружениях
предприятий пищевой промышленности, нефтеперерабатывающей отрасли и прочих производственных стоков;
при производстве цемента: мешалки устанавливают на бетоносмесительном узле для приготовления гомогенной смеси и ее добавки в
бетон;
при производстве бумаги для приготовления диоксида титана с целью контроля матовости тонкой бумаги, приготовления каолиновой
смеси.
Возможна установка отводов и любой дополнительной арматуры.
Возможно изготовление усиленной емкости под увеличенную плотность жидкости
Характеристики
Производитель
ЭкоПром
Объём
2000
Цвет
синий
Форм-фактор
вертикальная
Высота
155
Длина
150
Ширина
150
Диаметр крышки
40
Код производителя
171.2003.601.1
Серия
T с лопастной мешалкой
Объем транспортный
3,49
Цена с НДС
120280
Склад в городе
Краснодар, Ростов-на-дону
Параметр: Объем транспортный
3.4875
Все характеристики
Отзывы
Отзывов еще никто не оставлял
0
Всего
- 5 звезд 0
- 4 звезды 0
- 3 звезды 0
- 2 звезды 0
- 1 звезда 0
С отзывами о магазине вы можете ознакомиться на
странице отзывов
Оставить отзыв
Похожие товары из раздела «Ёмкости с мешалками»
Max
