Описание
Характеристики
Описание
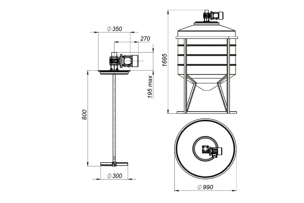
Тихоходная мешалка для емкости ФМ 500 для перемешивания в системе «жидкость – жидкость»:
Мощность двигателя, кВт - 0,25
Частота вращения вала, об/мин - 93
Длина вала, мм - 800
Диаметр рабочего колеса, мм - 300
Вес, кг - 12,4
Технические преимущества тихоходных лопастных мешалок:
1. Высокая прочность: Отсутствие сварных швов и футеровки благодаря цельнолитой конструкции из композита.
2. Малый вес по сравнению с металлическими аналогами.
3. Продолжительный срок службы: Смолы (материал изготовления рабочего колеса и вала) после отверждения, в отличии от
термопластичных материалов таких как полипропилен и фторопласт, не подвержены повторному расплавлению, что является гарантией
отличной механической прочности, термо- и формоустойчивости.
Сферы применения емкостей с мешалками:
в химической промышленности для приготовления и поддержания консистенции различных агрессивных растворов;
в водоподготовке и водоочистке для приготовления растворов коагулянтов и флокулянтов;
при обработке питьевой воды для стерилизации, фильтрации, контроля запаха и привкуса;
в системах водоснабжения и канализации для приготовления рабочих растворов и реагентов с целью обработки сточных вод;
в составе реагентных блоков периодического действия для приготовления и дозирования растворов реагентов на очистных сооружениях
предприятий пищевой промышленности, нефтеперерабатывающей отрасли и прочих производственных стоков;
при производстве цемента: мешалки устанавливают на бетоносмесительном узле для приготовления гомогенной смеси и ее добавки в
бетон;
при производстве бумаги для приготовления диоксида титана с целью контроля матовости тонкой бумаги, приготовления каолиновой
смеси.
Возможна установка отводов и любой дополнительной арматуры.
Возможно изготовление усиленной емкости под увеличенную плотность жидкости.
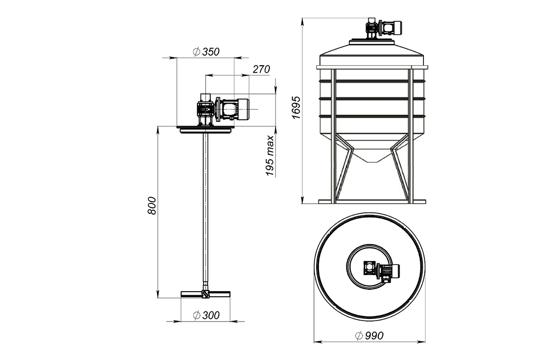
Мощность двигателя, кВт - 0,25
Частота вращения вала, об/мин - 93
Длина вала, мм - 800
Диаметр рабочего колеса, мм - 300
Вес, кг - 12,4
Технические преимущества тихоходных лопастных мешалок:
1. Высокая прочность: Отсутствие сварных швов и футеровки благодаря цельнолитой конструкции из композита.
2. Малый вес по сравнению с металлическими аналогами.
3. Продолжительный срок службы: Смолы (материал изготовления рабочего колеса и вала) после отверждения, в отличии от
термопластичных материалов таких как полипропилен и фторопласт, не подвержены повторному расплавлению, что является гарантией
отличной механической прочности, термо- и формоустойчивости.
Сферы применения емкостей с мешалками:
в химической промышленности для приготовления и поддержания консистенции различных агрессивных растворов;
в водоподготовке и водоочистке для приготовления растворов коагулянтов и флокулянтов;
при обработке питьевой воды для стерилизации, фильтрации, контроля запаха и привкуса;
в системах водоснабжения и канализации для приготовления рабочих растворов и реагентов с целью обработки сточных вод;
в составе реагентных блоков периодического действия для приготовления и дозирования растворов реагентов на очистных сооружениях
предприятий пищевой промышленности, нефтеперерабатывающей отрасли и прочих производственных стоков;
при производстве цемента: мешалки устанавливают на бетоносмесительном узле для приготовления гомогенной смеси и ее добавки в
бетон;
при производстве бумаги для приготовления диоксида титана с целью контроля матовости тонкой бумаги, приготовления каолиновой
смеси.
Возможна установка отводов и любой дополнительной арматуры.
Возможно изготовление усиленной емкости под увеличенную плотность жидкости.
Характеристики
Производитель
ЭкоПром
Объём
500
Цвет
белый
Форм-фактор
конусная
Высота
169,5
Длина
99
Ширина
99
Диаметр крышки
30
Код производителя
171.0502.001.1
Серия
ФМ с лопастной мешалкой
Объем транспортный
1,66
Цена с НДС
96690
Склад в городе
Краснодар, Ростов-на-дону
Параметр: Объем транспортный
1.6612695
Все характеристики
Отзывы
Отзывов еще никто не оставлял
0
Всего
- 5 звезд 0
- 4 звезды 0
- 3 звезды 0
- 2 звезды 0
- 1 звезда 0
С отзывами о магазине вы можете ознакомиться на
странице отзывов
Оставить отзыв
Похожие товары из раздела «Ёмкости с мешалками»
Max
