Описание
Характеристики
Описание
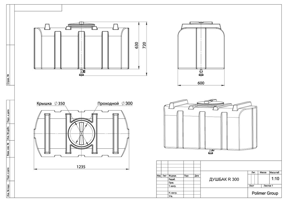
Снизу бака предусмотрено технологическое отверстие - резьбовой фитинг для закрепление лейки. Размер фитинга 3/4 дюйма.
Бак для душа «Роса» с подогревом отличаются наличием трубчатого электронагревателя в конструкции, который подогревает воду.
Рекомендации по эксплуатации:
Не включать ТЭН во время дождя.
Уровень воды в баке должен быть выше ТЭНа.
Рекомендуем для защиты от поражения током использовать УЗО (Устройство Защитного Отключения) - не входит в комплектацию бака для душа «Роса» с подогревом воды, приобретается отдельно.
При наличии повреждений в электрическом проводе не использовать ТЭН.
Пользоваться душем только при отключённом ТЭНе.
Избегать попадания воды на электрические контакты.
Технические характеристики душевого бака с подогревом воды:
Показатель Значение
Напряжение питающей сети, В: 220
Частота, Гц: 50
Номинальная мощность, кВт: 2
Максимальная температура нагрева, °C: 50
Комплектация душевого бака с подогревом воды:
Наименование Количество
Корпус душевого бака R 300 литров: 1 шт
Крышка с дыхательным клапаном: 1 шт
Подогрев (ТЭН): 1 шт
Термостат стержневой: 1 шт
Металлический резьбовой фитинг для лейки: 1 шт
Контргайка Ду 32 оцинк. для ТЭНов: 1 шт
Прокладка резиновая тип RT (круглый профиль): 1 шт
Шнур к ПЭТ (провод ПВС 20,75): 1 шт
Вилка электрическая: 1 шт
Лейка: 1 шт
Бак для душа «Роса» с подогревом отличаются наличием трубчатого электронагревателя в конструкции, который подогревает воду.
Рекомендации по эксплуатации:
Не включать ТЭН во время дождя.
Уровень воды в баке должен быть выше ТЭНа.
Рекомендуем для защиты от поражения током использовать УЗО (Устройство Защитного Отключения) - не входит в комплектацию бака для душа «Роса» с подогревом воды, приобретается отдельно.
При наличии повреждений в электрическом проводе не использовать ТЭН.
Пользоваться душем только при отключённом ТЭНе.
Избегать попадания воды на электрические контакты.
Технические характеристики душевого бака с подогревом воды:
Показатель Значение
Напряжение питающей сети, В: 220
Частота, Гц: 50
Номинальная мощность, кВт: 2
Максимальная температура нагрева, °C: 50
Комплектация душевого бака с подогревом воды:
Наименование Количество
Корпус душевого бака R 300 литров: 1 шт
Крышка с дыхательным клапаном: 1 шт
Подогрев (ТЭН): 1 шт
Термостат стержневой: 1 шт
Металлический резьбовой фитинг для лейки: 1 шт
Контргайка Ду 32 оцинк. для ТЭНов: 1 шт
Прокладка резиновая тип RT (круглый профиль): 1 шт
Шнур к ПЭТ (провод ПВС 20,75): 1 шт
Вилка электрическая: 1 шт
Лейка: 1 шт
Характеристики
Производитель
Полимер-Групп
Цвет
синий
Вес
14
Высота
720
Длина
1265
Ширина
600
Код производителя
Бак для душа серии «R» 300 л синий с подогревом, с лейкой, с уровнемером
Объем транспортный
546,48
Цена с НДС
10250
Отзывы
Отзывов еще никто не оставлял
0
Всего
- 5 звезд 0
- 4 звезды 0
- 3 звезды 0
- 2 звезды 0
- 1 звезда 0
С отзывами о магазине вы можете ознакомиться на
странице отзывов
Оставить отзыв
Похожие товары из раздела «Емкости для душа»
Max
