Описание
Характеристики
Описание
10 шагов для успешного монтажа септика «Росток» Мини:
1.Определиться с местом монтажа септика руководствуясь таблицей;
Минимальное расстояние, м
От жилого дома 5
От границы дороги 5
От деревьев 3
От питьевого источника 50
2. На выбранном месте вырыть котлован по размерам из таблицы;
Высота 1,8
Длина 2,3
Ширина 1,7
3.Вырыть траншею от выпускного трубопровода из дома до котлована с уклоном 2 см на 1 метр траншеи;
4. Дно котлована выровнять и отсыпать песчаную подушку в 0,1 м;
5. В котлован опустить септик;
6. Произвести якорение септика, в качестве якорей можно использовать либо 2 стандартных бетонных поребрика , либо готовую бетонную плиту с анкерами, которая опускается на дно котлована под септик;
7. В траншею установить подводящую трубу, утеплить ее (например, пенополиэтиленом) и присоединить к септику и выпускному трубопроводу, при этом все соединения пройти герметиком;
8. Засыпать песком траншею с подводящей трубой;
9. Засыпать септик песком (либо песчано-цементной смесью в пропорции 5 к 1), уплотняя его через каждые 20-30 см, с постепенным заполнением емкости чистой водой через горловину;
10. Подключить к отводящему трубопроводу, либо, при необходимости, подключить прочее оборудование (накопительные системы, системы полива, системы дренажа).
1.Определиться с местом монтажа септика руководствуясь таблицей;
Минимальное расстояние, м
От жилого дома 5
От границы дороги 5
От деревьев 3
От питьевого источника 50
2. На выбранном месте вырыть котлован по размерам из таблицы;
Высота 1,8
Длина 2,3
Ширина 1,7
3.Вырыть траншею от выпускного трубопровода из дома до котлована с уклоном 2 см на 1 метр траншеи;
4. Дно котлована выровнять и отсыпать песчаную подушку в 0,1 м;
5. В котлован опустить септик;
6. Произвести якорение септика, в качестве якорей можно использовать либо 2 стандартных бетонных поребрика , либо готовую бетонную плиту с анкерами, которая опускается на дно котлована под септик;
7. В траншею установить подводящую трубу, утеплить ее (например, пенополиэтиленом) и присоединить к септику и выпускному трубопроводу, при этом все соединения пройти герметиком;
8. Засыпать песком траншею с подводящей трубой;
9. Засыпать септик песком (либо песчано-цементной смесью в пропорции 5 к 1), уплотняя его через каждые 20-30 см, с постепенным заполнением емкости чистой водой через горловину;
10. Подключить к отводящему трубопроводу, либо, при необходимости, подключить прочее оборудование (накопительные системы, системы полива, системы дренажа).
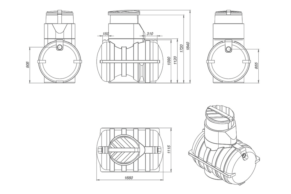
Характеристики
Производитель
ЭкоПром
Объём
1500
Цвет
черный, зеленый
Форм-фактор
горизонтальный
Вес
85
Высота
184
Длина
168
Ширина
111.5
Материал наружного/внутреннего слоя
первичный LLDPE (линейный полиэтилен низкой плотности, ЛПНП)
Код производителя
612.0000.401.1
Серия
Rostok Дачный
Число пользователей (человек)
2-4
Тип сброса
принудительный
Производительность (л. в сутки)
450
Объем транспортный
3.446688
Цена с НДС
40580
Склад в городе
Краснодар, Ростов-на-дону
Параметр: Объем транспортный
3.446688
Все характеристики
Отзывы
Отзывов еще никто не оставлял
0
Всего
- 5 звезд 0
- 4 звезды 0
- 3 звезды 0
- 2 звезды 0
- 1 звезда 0
С отзывами о магазине вы можете ознакомиться на
странице отзывов
Оставить отзыв
Похожие товары из раздела «Септики переливные Экопром Rostok»
Max
